开云(中国)
开云(中国)
Integrated Circuit

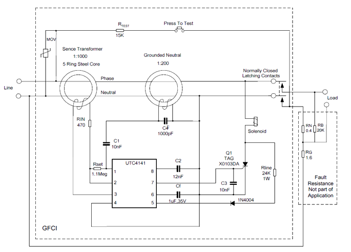
UTC4141 漏电保护电路

    UTC4141是用于交流插座接地故障断路器的低功率控制器。这些设备检测到接地的危险电流路径并接地到中性故障。在发生有害或致命冲击之前,断路器会断开负载与线路的连接。

    在内部,UTC 4141包含一个二极管整流器,并联稳压器,精密检测放大器,电流参考,时间延迟电路和SCR驱动器。

两个感应变压器,SCR,电磁铁,三个电阻器和四个电容器完成了基本电路断流器的设计。简单的布局和最少的元件数量确保了应用的简便性和长期可靠性。

    其他GFCI控制器没有的特性包括低失调电压读出放大器,无需在读出变压器和读出放大器之间使用耦合电容,以及内部整流器消除高压整流二极管。

    UTC4141仅在线电压的正半周期内供电,但可以检测电流故障,而与其相对于线电压的相位无关。 SCR的栅极仅在线电压的正半周期内被驱动。


产品特性

*由AC线供电

*内置整流器

*直接接口到SCR

*500μA静态电流

*精确的感应放大器

*可调节的时间延迟

*最少的外部组件

*符合UL943要求

*用于110V或220V系统

*采用8引脚DIP或SOP封装