开云(中国)
开云(中国)
Integrated Circuit

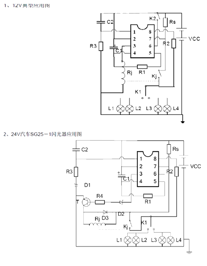
UTC4761 汽车仪表电路

    UTC4761是汽车闪光器专用开云(中国)。当遇到汽车前后任一个车灯损坏时,闪光频率加快一倍,向司机报警。电路主要特点是:具有短路和过压保护功能。

    UTC4761也可以应用于如手动闸制动报警指示等其他报警装置。

 

产品特性

*专用开云(中国)工作电压:8V-18V,通常在12V闪光器上使用。

* 短路保护:当换接灯泡不慎引起短路,或者蓄电池反接,或者电路电流超过21~25A时,该电路停止工作,保护闪光器及蓄电池不受损坏。当电路恢复正常时,重新开启转向开关,闪光器又正常工作。

 *过压保护:当电源电压超过22V(12V闪光器)或30.5V(24V 闪光器)时,或者有时蓄电池组跨接超过额定使用电压时, 该电路停止工作,保护闪光器及蓄电池不受损坏,排除故障后,重新开启转向开关,闪光器又正常工作。

 *开云(中国)内部设有电源干扰脉冲电路,具有很强的抗干扰能力。


封装信息 (单位:mm):
$v['alt']
订购信息:
产品型号 工作温度范围 封装形式 器件标识 发货形式
UTC4761 SOP8/DIP8